Principe
Voici les schémas de base permettant de reproduire le champ magnétique bipolaire en partant d’une commande unipolaire.
Remarque : dans les schémas qui suivent, tous les interrupteurs sont raccordés à la masse donc quand ils se ferment c’est un négatif qui apparaît.
Les deux interrupteurs sont ouverts
Les sorties F et G doivent-être positives.

L’interrupteur 1 est fermé
La sortie F doit-être négative et la sortie G doit-être positive.

L’interrupteur 2 est fermé
La sortie F doit-être positive et la sortie G doit-être négative.

Les deux interrupteurs sont fermés
Les sorties F et G sont négatives.

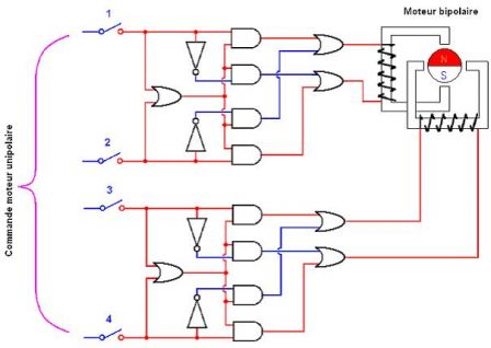
Schémas complet permettant de passer d’une commande unipolaire à une commande bipolaire
Les quatre interrupteurs ouvert : le moteur ne bouge pas.

L’interrupteur 1 fermé, les autres ouverts

Les interrupteurs 1 et 3 fermés, 2 et 4 ouverts

L’interrupteur 3 fermé, 1, 2 et 4 ouverts
Les interrupteurs 2 et 3 fermés, 1 et 4 ouverts

L’interrupteur 2 fermé, 1, 3 et 4 ouverts

Les interrupteurs 2 et 4 fermés 1 et 3 ouverts

L’interrupteur 4 fermé, 1, 2 et 3 ouverts

Les interrupteurs 1 et 4 fermés, 2 et 3 ouverts

L’interrupteur 1 fermé, 2, 3 et 4 ouverts

Les quatre interrupteurs fermés : le moteur ne bouge pas

Circuit de puissance pour une commande bipolaire
Circuit de commande de puissance conseillé pour le bipolaire.

Nous allons utilisé le L298N.
Brochage du 74LS04 , 74LS08 , 74LS32 Vcc = 5 Volts positif Gnd = négatif

Brochage du L298N Vss = 5 Volts positif Vs = 12 Volts positif Gnd = négatif

Typon final côté print.
Typon final côté composants.
Vue des straps côté composants (il y en a 23).
Nomenclure des composants (par moteur)
- 6 connecteurs double au pas de 5.08 8 diodes shottky ( 3A 40 V )
- 4 résistances 2,2 ohms 4 résistances 1,8 ohms
- 1 condensateur de 220 µF 10 volts 1 jump et 3 pin au pas de 2.54
- 1 L 298 N
- 1 7805
- 1 74LS04
- 2 74LS08
- 2 74LS32
- 5 supports IC de 14 pattes
Attention au sens des diodes . J’ai dessiné en jaune les deux diodes qui sont placées à l’envers.
Le Jump est utilisé pour forcé la ligne control motor au positif afin de pouvoir tester la carte sans la raccorder à la MM2001. C’est aussi la raison du placement du 7805 car en ne fournissant qu’une tension de ± 12 volts, le 5 volts est généré par le 7805.
Pour tester la carte , on raccorde le moteur bipolaire, le 12 volts et on prend un fil volant qui est raccordé à la masse (GND). Avec ce fil, on fait un toucher en respectant l’ordre 1, 3, 2, 4 (donc on place provisoirement la masse sur les connecteur 1, 3, 2, 4) et si vous avez mis un repère sur l’axe du moteur vous le verrez tourner.
Si vous inversez l’ordre en faisant par exemple 4, 2, 3, 1, vous verrez le moteur tourner dans l’autre sens.
Si le moteur ne tourne pas, c’est que votre carte à un problème et vous pourrez la contrôler en vous aidant des schémas où on ferme les interrupteurs, car j’ai dessiné à chaque fois les lignes positives en rouge et les lignes négatives en bleu.
J’ai utilisé « Un nouveau typon pour la MM2001 » car les pistes sont plus larges, permettant ainsi d’utilisation du procédé du fer à repasser pour réaliser la carte. Pour le nouveau typon de la MM2001 vous trouverez tout ça, ainsi que le schéma d’implantation à cette adresse : http://pagesperso-orange.fr/spotar/cnc/images_fichiers_cnc/MM2001/MM2001-RI.zip.
Raccordement à la MM2001
Il faut enlever les quatre ULN 2803. Je les ai colorié en jaune ci-desous.

Ensuite il faut court-circuiter leurs entrées et leurs sorties (il y en a 8 par ULN2803). J’ai mis des straps en lieu et place du circuit intégré.

Ensuite vous raccordez les connecteurs 1, 2, 3 et 4 comme indiqué ci-dessous.
N’oubliez pas de connecter le + 12 volts (pas le + 5 volts car il est généré par la carte) et le négatif (Gnd).
Normalement il faut raccorder les connecteurs control motor à la pin 17 du connecteur DB25 de la MM2001, mais pour les premier essais, placez le jump de l’adaptateur du côté OFF et si vous voulez le control motor par le PC c’est du côté ON.
Vous pouvez aussi par la suite vous reprendre sur ce jump pour créer des fins de courses car si cette ligne est coupée, le moteur ne peut plus du tout tourner ni dans un sens ni dans l’autre. Cela en est encore au stade de la conception, car le moteur devrait pour bien faire tourner dans l’autre sens et ce n’est pas une mince affaire.
N’oubliez pas que le control motor doit-être positif, sinon les moteurs ne tourneront pas.
J’ai testé les situations suivantes :
- Piloter quatre moteurs bipolaires : résultat OK
- Piloter deux moteurs bipolaires et deux moteurs unipolaires en réinstallant les ULN2803 : résultat OK
- Piloter des des moteurs avec un nombre de pas différent : résultat OK
J’ai testé le système avec :
- Jedicut http://www.aeropassion.net/,
- L’adaptateur USB de Xavier http://www.xavtronic.ch/,
- Cnc3Axes http://perso.wanadoo.fr/jean-luc.soumard/,
- GMFC pro http://gm.cnc.free.fr/fr/index.html.
Attention : si le driver de GMFC est installé, il provoque des micros arrêts sur le fonctionnement des moteurs lorsque j’utilise Jedicut ou Cnc3Axes. Donc n’oubliez pas de le désinstaller.
Les moteurs que j’ai utilisé sont quatre moteurs bipolaires de ITC, 12Volts 200 pas, et les moteurs unipolaires sont des 55S1-25D 12 volts 48 pas.
Le typon de ma carte a été créé avec le logiciel « Cidess » qui est en téléchargement libre à cette adresse http://www.cidess.fr.st. Le typon de ce montage est disponible en annexe de cette article.
Voici quelques photos de mes cartes.
Télécharger le typon de ce montage (fichier *.cid)
Auteur : Sanchez Torrejon Angel.















