Découpe au fil chaud et fraiseuse 2 en 1
Cahier des charges
Principes de base
Mécanique
Réalisation de 6 chariots moteurs permettant de monter soit une table de découpe au fil chaud soit une table de fraisage. Le changement de machine demande environ deux heures, ce qui est peu par rapport au temps de travail. Le coût de l’ensemble est réduit du fait de l’utilisation pour les deux machines de matériel commun, et permet un gain de place.
Définition : Par chariot moteur il faut comprendre l’ensemble chariot, règle, moteur, et transmission adaptée.
Logiciels gratuits
C’est un principe de base : je voulais utilisais des logiciels gratuits.
Electronique
Solution la plus simple réalisable sans matériel spécial, avec contrôle manuel de la température du fil. Schéma de principe :

Pour le fraisage les deux chariots moteur de l’axe Y sont sur la même carte de commande afin d’avoir des déplacements identiques (déplacements synchronisés).
Matériel à réaliser
Rappel des axes machines

Matériel commun aux 2 montages
Une carte électronique d’interface qui assure la liaison entre le PC et les cartes de commande des moteurs.
Quatre cartes de commande des moteurs pour les axes de travail, une par moteur :
- « X1 et X2, Y1 et Y2 pour le fil chaud »
- « 2 fois Y, X et Z pour le fraisage »
Si nécessaire, en plus des carte interface et commandes : quatre cartes Turbo selon les moteurs utilisés si les tension ou intensités sont différentes. Dossier complet sur le site http://www.teaser.fr/~abrea/cncnet/elec/turbo/turbo.phtml
Une alimentation de PC 12 et 5 volts pour l’électronique et les moteurs (récupération). Aeropassion propose un guide sur la récupération des alimentations de PC.
Deux chariots moteurs pour l’axe X fil chaud ou Y en fraisage, commande par courroie crantée selon le principe « règles et roulements de roller » de la table coquery.
Chariot à base de carre, tige filetées et roulement de roller se déplaçant sur des règles aluminium « règles de maçon » réalisés avec seulement une perceuse a colonne. Dossier complet voir le site http://g.coquery.free.fr.
Matériel spécifique
- Fil chaud
Un transfo piloté pour la chauffe du fi. Transfo de environ 400 VA selon la longueur du fil chaud, maxi 24 volts pour cause de sécurité, un réglage du primaire « 220 volts » par rhéostat ou variateur de tension.
Deux chariots moteurs pour l’axe Y1 et Y2, commande directe d’une vis M6 pas de 100 selon le principe du chariot des Y de la table SPARTIA ou RUSTICA. Voir le site : http://www.teaser.fr/~abrea/cncnet/table/rustica/chassisy.phtml.
- Fraisage
Un chariot moteur axe X « droite gauche » commande par courroie crantée selon le principe de la table coquery Un chariot moteur axe Z « vertical » commande par vis diamètre 6 pas de 100 selon le principe de la table coquery Une tête porte fraise « Proxxon » ou équivalent
Logiciels
- Pour la découpe fil chaud.
Jedicut (Lien de téléchargement). Je pense qu’il est plus utile pour tous de continuer à développer avec Jérôme ce qui existe plutôt que de le réinventer.
- Pour le fraisage
Autocad pour les dessins en DWG et DXF.
BOcnc « www.bocnc.de « (Allemand gratuit) pour les décalages outils et la conversion en PLT.
KELLY CAM 3 « www.kellyware.com « (anglais gratuit) Pour commander la table de fraisage.
Fournitures
Composants électroniques
6 Moteurs unipolaires tous identiques afin de simplifier les cartes moteur (pas de carte TURBO dans mon cas). Je conseille des moteurs 200 pas / tour 4,1 volts, voir le site de la société MEDELOR « www.medelor.com »
Il n’est pas très difficile de réaliser les cartes de commandes des moteurs si pour la découpe au fil chaud on utilise une commande manuelle de contrôle de la température. J’ai réalisé les miennes sans être électronicien et sans circuits imprimés spéciaux, mais sur circuit standard de chez CONRAD.
Mécanique
Engrenages, Pignons et courroies crantées CONRAD selon les rapports de réduction désirés.
Les ensembles mécaniques : vis, écrou, carre aluminium ou acier, roulement de roller, etc., sont disponibles en magasin de bricolage ou supermarché.
Mécanique
La réalisation
Chariot commandé par courroie cranté selon le principe de la table coquery avec roulements de roller.
Chariot à base de carre, tige filetées et roulement de roller se déplaçant sur des règles aluminium « règles de maçon » réalisés avec seulement une perceuse a colonne (Dossier complet voir le site http://g.coquery.free.fr)
Moteur de commande
Commande de chaque chariot moteur par un moteur 4,1 volts 200 pas (MEDELOR), réduction par engrenage au module 1, un de 10 dents et un de 40 dents qui entraîne une poulie crantée au pas de 5.08 de 10 dents ce qui donne pour 4 tours moteur soit 800 pas un tour pignon cranté donc un déplacement de 50.8 mm, soit un pas = 0.0635 mm.

Les 3 AXES de fraisage.

Ensemble de fraisage monté.

Le fil chaud
Pour passer du montage fraisage au montage fil chaud, il suffit de démonter les 2 brides « voir ci-dessus », de retirer l’ensemble axe X et Z et de monter a la place les brides des chariots Y1 et Y2, puis de connecter les câbles de commande des axes à la bonne place.
Fil chaud chariot de l’ axe Y principe de la table SPARTIA ou RUSTICA.





L’électronique
Principe

Pour le fraisage les deux chariots moteur de l’axe Y sont sur la même carte de commande afin d’avoir des déplacements identiques (déplacements synchronisés).
La carte interface
Schéma simplifié
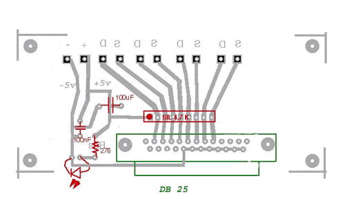
Schéma simplifié d’après le schéma disponible sur http://aeropic.free.fr/pages/CNC/IF_PC.htm S =sens D= direction Alim en 5 volts.

Réalisation de la carte interface
La carte utilisée est un montage DB 25 de Conrad « BP 028 ». Pour exemple carte interface 3 AXES coté composants.

Câblage suivant schéma ci dessous
- Rouge = + 5 volts
- Bleu = – 5 Volts
- Vert = Direction
- Noir = Sens
- Blanc = Réservé
Composants :
- Une prise DB 25
- SIL 4,7 K = 8 résistances 4,7 K
- 1 Condensateur 100 nf
- 1 Led de contrôle avec sa résistance adaptée
Sortie pour une carte moteur :
- 1 Point vert vers direction de la carte moteur 1 Point noir vers sens de la carte moteur
- 1 Point bleu vers – 5 volts de la carte moteur 1 Point rouge vers + 5 volts de la carte moteur
Schéma des liaisons coté cuivre le coté composant est au dessus.

Les cartes de commande
Chaque carte de commande moteur est basé sur un UCN 5804. Il est nécessaire de réaliser 1 carte par moteur.

Montage pour un moteur 4,1 volts 200 pas sur carte standard BP 700 Conrad avec circuit intégré UCN5804 sur support
- A U = arrêt d’urgence
- Dir venant de la carte interface
- Pas venant de la carte interface
- ½ = demi pas
- S1 S2 S3 vers bobine N° 1 du moteur
- S4 S5 S6 vers bobine N° 2 du moteur
- + 5 volts venant de l’interface ou de l’alim – 5 volts venant de l’interface ou de l’alim
Il est possible de commander 2 moteurs par carte BP 700 de Conrad.
Schéma pour commande d’un moteur

Carte de commande 1 moteur coté composants et câblage avec circuit intégré sur support

Carte de commande BP 700 CONRAD équipée pour 2 moteurs.

Auteur : Micrad



